| 
                ||
                     
                        全部產品分類
  | 
                ||
                            
                        
                            
                
                    
                
                    
                
                        
                        
                        
對比
加入企業產品庫
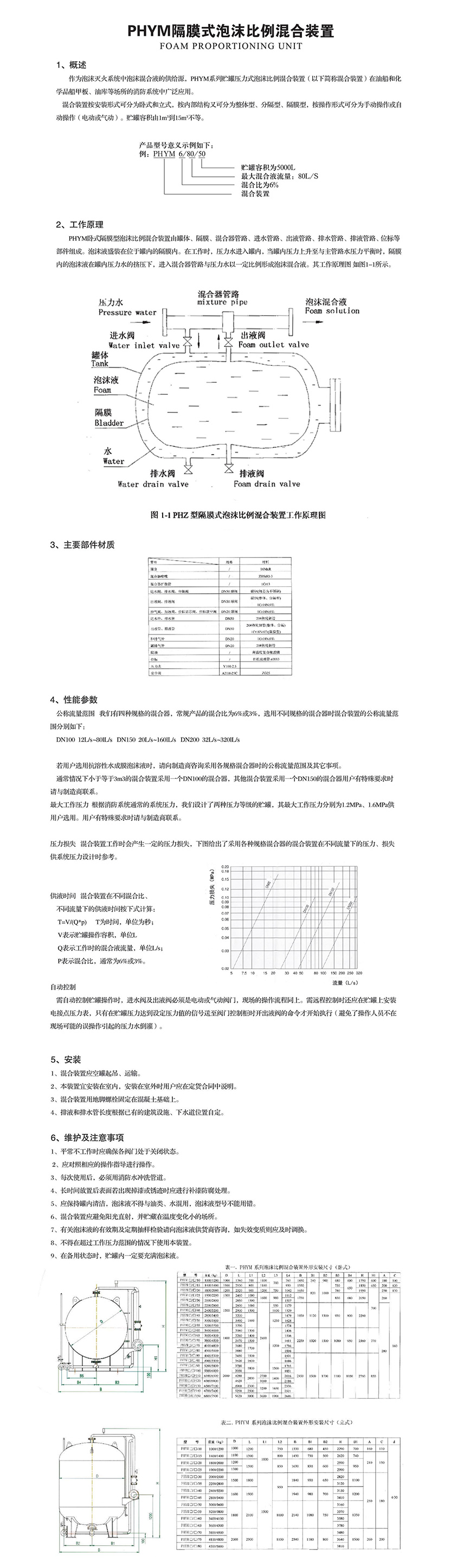
            | 隔膜式泡沫比例混合裝置 | |||
| 混合比: | 6% | 最大混合液流量: | 80l/s | 
| 貯罐容積: | 2500l | 安裝方式: | 臥式 | 
| 重量: | 1900/2200kg | ||
        
        | -供應商聯系方式- | |||||
| 
                     | 
                公司名稱: | 上海安航海上消防設備有限公司 | 
                     | 
                聯系人姓名: | 孔祥征 | 
| 公司地址: | 上海市新華路543號2號樓19F | 聯系人電話: | 15800358542;021-63212280 | ||
| 聯系人郵箱: | shanghai-anxing@vip.163.com | ||||