|
||
全部產品分類
|
||



對比
加入企業(yè)產品庫
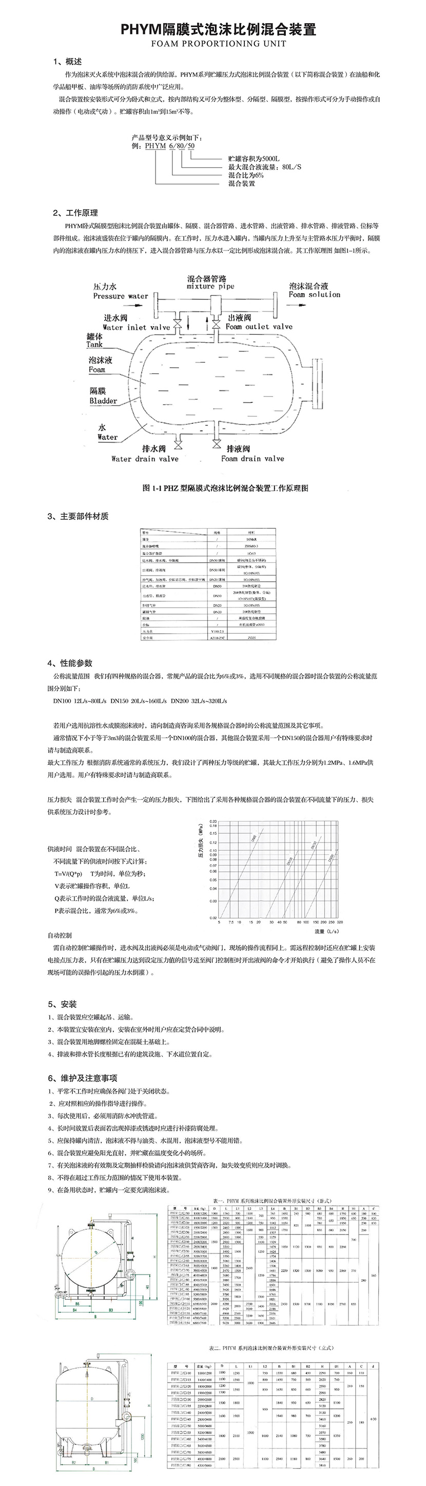
| 隔膜式泡沫比例混合裝置 | |||
| 混合比: | 3% | 最大混合液流量: | 320l/s |
| 貯罐容積: | 2500l | 安裝方式: | 臥式 |
| 重量: | 1900/2200kg | ||

| -供應商聯系方式- | |||||
|
|
公司名稱: | 上海安航海上消防設備有限公司 |
|
聯系人姓名: | 孔祥征 |
| 公司地址: | 上海市新華路543號2號樓19F | 聯系人電話: | 15800358542;021-63212280 | ||
| 聯系人郵箱: | shanghai-anxing@vip.163.com | ||||