|
||
全部產品分類
|
||



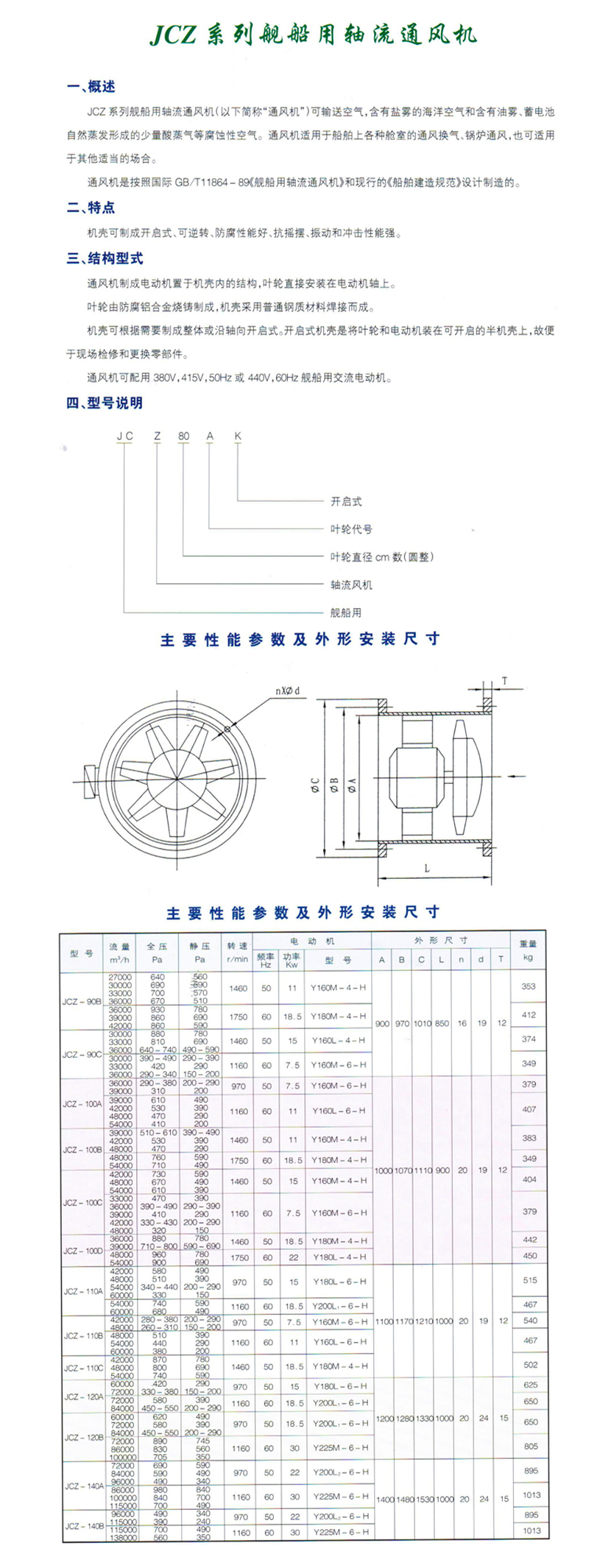
| JCZ系列艦船用軸流通風機 | |||
| 風量: | 54000m3/h | 轉速: | 1750rpm |
| 靜壓: | 590 Pa | 電機頻率: | 60 Hz |
| 全壓: | 760 Pa | 電機功率: | 18.5kW |

| -供應商聯系方式- | |||||
|
|
公司名稱: | 靖江市國利空調制造有限公司 |
|
聯系人姓名: | 錢麗美 |
| 公司地址: | 靖江市城北園區長新路8號 | 聯系人電話: | 0523-84800546/13775714648 | ||
| 聯系人郵箱: | yangnie168@163.com | ||||